Loading...

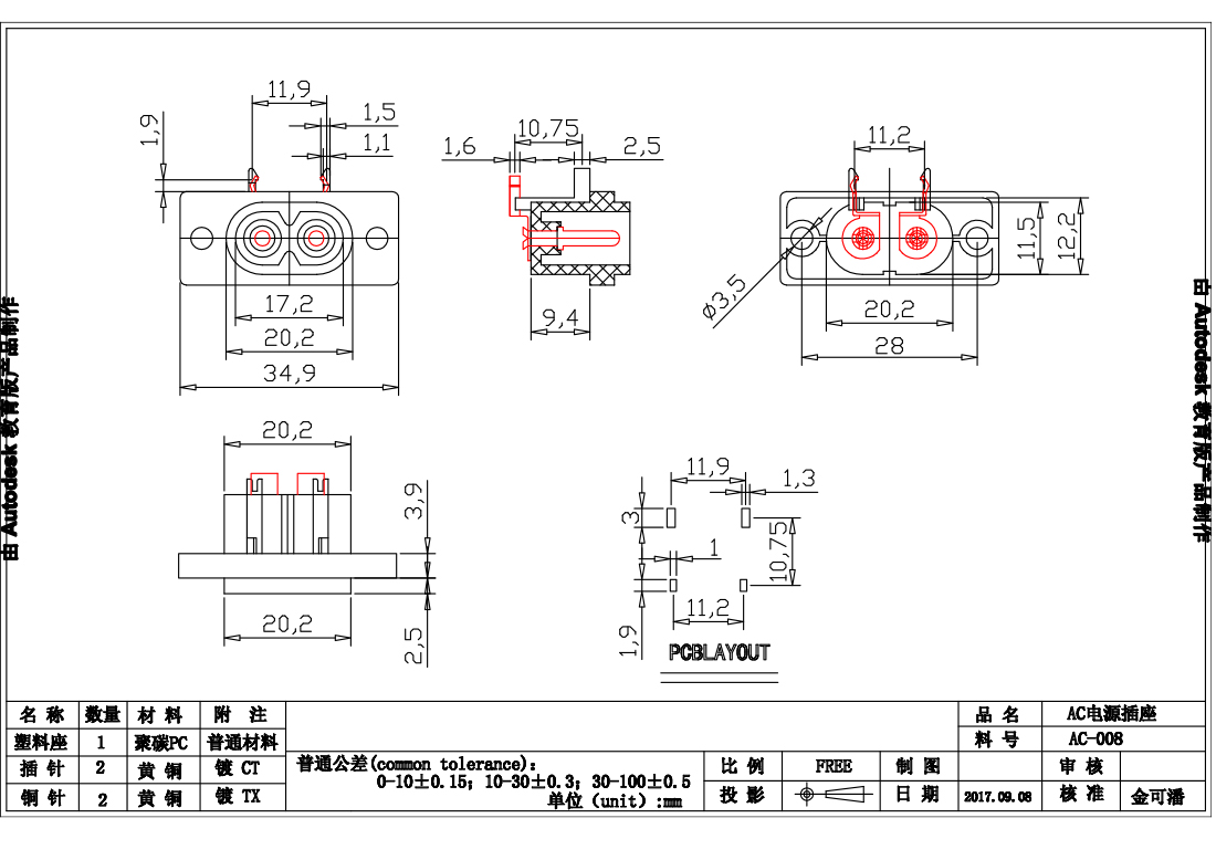
AC-008

  •