Loading...

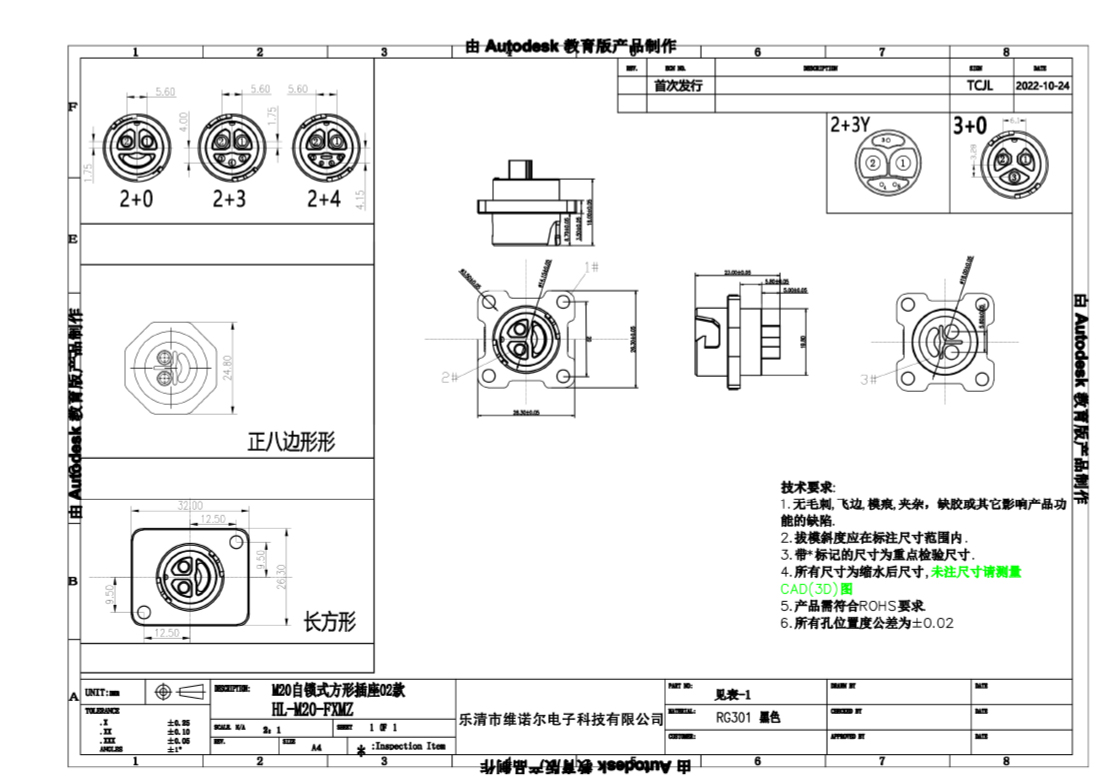
M20-3+0方形母座

  •